DC65JE
- Impeller: Closed Impeller
- Max head:
- Weight:
- Rated voltage: 24Vdc
- Max flow: 2500L/H
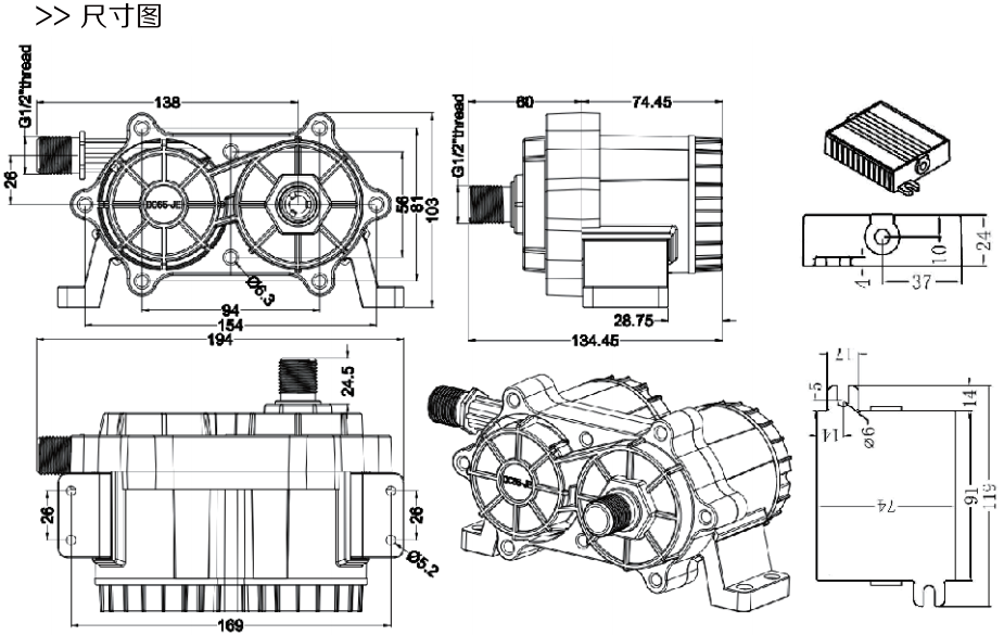
- Dimension:
Close
Consulting
Customer service:86-755-27811557



